Glass Standoff Bracket
Fixed Stainless Steel Glass Standoff Bracket - technical specifications
Glass Standoff Bracket
Fixed Stainless Steel Glass Standoff Bracket - technical specifications

Glass Standoff Bracket - F24

  • Material: Premium stainless steel (304 or 316)
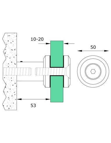
  • Glass Compatibility: Supports 10-20mm glass panels
  • Bracket Diameter: 50mm, ensuring stability in glass railing systems
  • Fixed Distance: 53mm between the mounting surface and the glass
  • Installation: Designed for frameless glass railing installations
  • Finish Options: Satin, polished, PVD-coated, and powder-coated finishes available
  • Applications: Ideal for staircases, balconies, and modern architectural designs
  • Corrosion Resistance: Built for long-lasting use in indoor and outdoor environments
Material
Finishing
F24

Product Details

Material
Stainless Steel 304
Stainless Steel 316
Surface Finishing
Brushed
Brushed Gold
Mirror
Mirror Gold
Powder Coating
Glass Hole Drilling
40 mm

Reviews (0)

No reviews
whatsapp
Product added to wishlist
Product added to compare.

webkajcookielaw - module, put here your own cookie law text